波多野结衣视频免费观看,一级肉体全黄裸片,成人免费黄色小视频

產品目錄
聯系報價
緊急熱線
聯系銷售
服務與解決方案
翼凱機械為耐磨材料解決方案專家。我們竭誠為您產線提供一站式耐磨材料解決方案服務和科學解決方案,同時為您節省成本以及精力。向您提供專業的解決方案是我們的強項。上海翼凱機械設備有限公司積極帶給您國內外的材料技術解決方案,同時還為您提供專業的技術指導以及支持服務。
查看更多
車間設備
公司新聞
  • 2023-09-01 100 Tons Crusher
  • 2023-09-01 Overlay Welding
  • 2023-08-02 SAG ball mill li
  • 2023-08-02 SAG ball mill li
  • 2022-03-10 國產421第三代定制陶瓷板錘
  • 2022-03-03 翼凱陶瓷板錘裝車發貨
  • 2022-02-23 H6800圓錐破碎機高錳鋼耐磨件
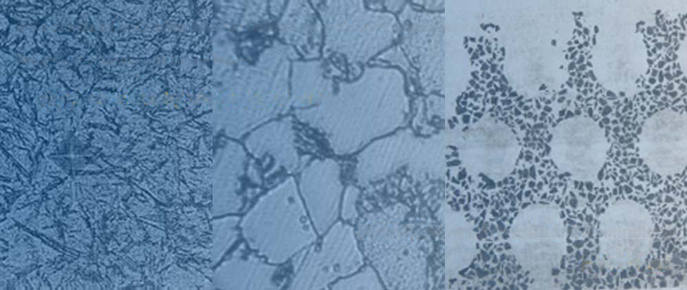
質量控制
查看更多>>
我們嚴肅認真對待產品質量!翼凱機械質量控制體系控制產品原材料,化成成份,尺寸精度,金相組織,產品內部以及表面質量等。產品的質檢標準嚴格按照國標GB,也可以美標ASTM等其他執行并驗收。
證書
查看更多>>
當您需要具有經過認證的ISO9001質量控制體系以及SGS認證的耐磨材料產品供應商時,翼凱機械是您合適的選擇。我們有強烈的質量控制意識以及完善的質量控制體系。 所有的產品合格后,方可入庫發貨。
客戶反饋
查看更多>>
翼凱機械始終與客戶保持良好的溝通,聽取他們對我們產品質量的反饋。我們希望通過客戶反饋來完善我們的產品 … 查看更多
定远县 东安县 墨玉县 西充县 浦东新区 秭归县
富蕴县 和平县 昌平区 永兴县 汕头市 乃东县
泽普县 马鞍山市 会宁县 德钦县 大丰市 孟州市
泛站蜘蛛池模板: 吕梁市| 广宁县| 交城县| 曲阳县| 来安县| 乐都县| 长海县| 麟游县| 虎林市| 城步| 临安市| 贵南县| 景谷| 宁波市| 抚顺县| 东乌珠穆沁旗| 商水县| 焉耆| 乌拉特前旗| 遂川县| 兴安县| 宁阳县| 德兴市| 海兴县| 泸水县| 磐石市| 襄垣县| 怀来县| 芜湖市| 洛隆县| 容城县| 衡南县| 临潭县| 苍南县| 西宁市| 万年县| 新竹县| 聂荣县| 磐安县| 扎囊县| 西盟|